본문 바로가기
주메뉴 바로가기
회사소개
회사소개
제품소개
스트레인게이지
계측센서/Transducer
계측장비/Data Logger
재료물성시험기
시험분석 의뢰
의뢰 및 신청 절차
보유기기목록
시험 및 용역
시험 및 용역
고객문의
고객문의
전체메뉴
메뉴
정확한 데이터, 친절한 서비스를
제공하는 제이제이콥입니다.
02-929-1127
제품소개
스트레인게이지
계측센서/Transducer
계측장비/Data Logger
재료물성시험기
계측센서/Transducer
제품설명서 다운로드
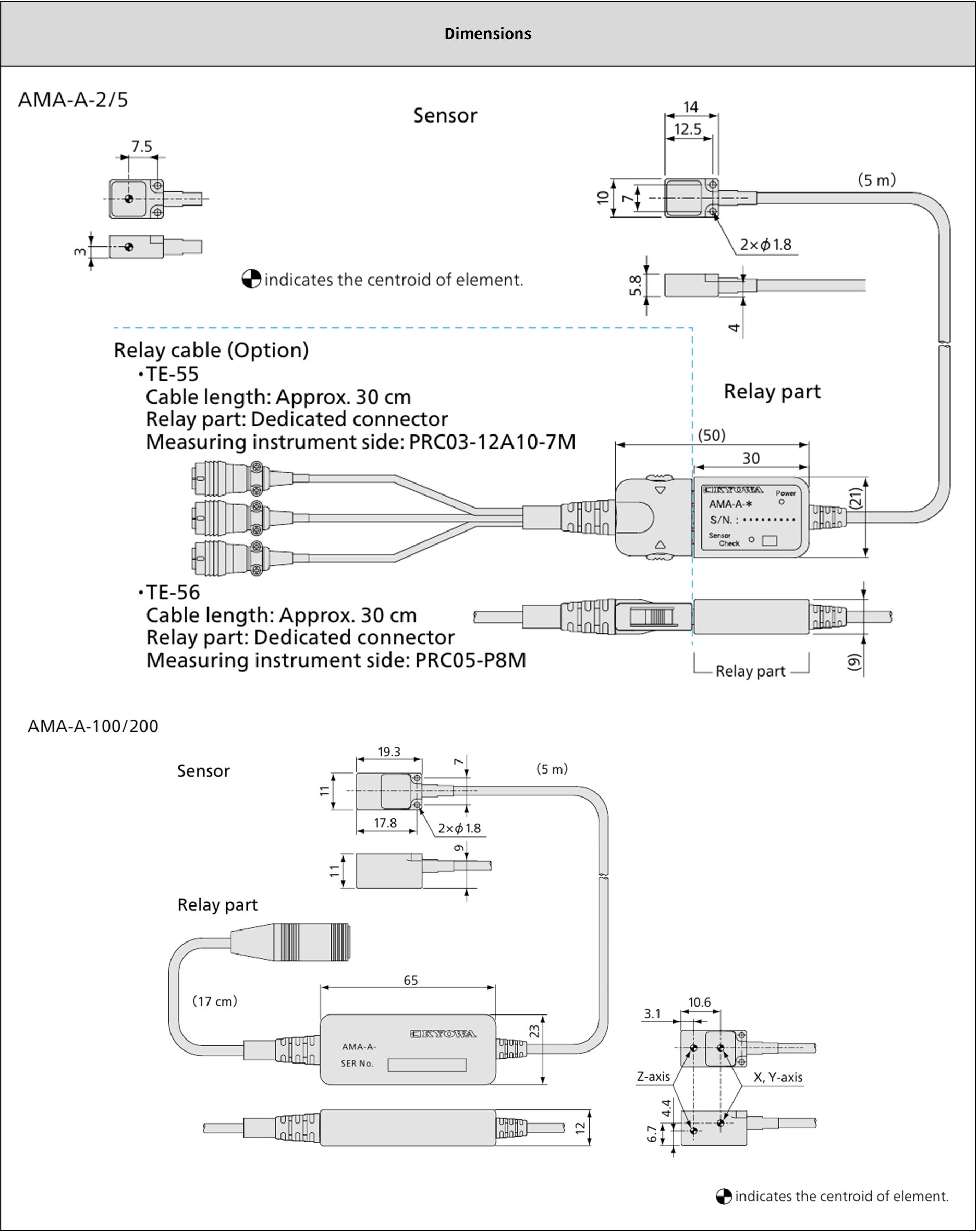
소형 3축 가속도 센서
모 델
AMA-A
용 량
±19.61 m/s² (±2 G) ~± 1961 m/s²(±200 G)
정격 출력
2 V ±10%
사용 온도범위(℃)
-20 to 80°C (Non-condensing)
무 게
Approx. 11g
목록보기