본문 바로가기
주메뉴 바로가기
회사소개
회사소개
제품소개
스트레인게이지
계측센서/Transducer
계측장비/Data Logger
재료물성시험기
시험분석 의뢰
의뢰 및 신청 절차
보유기기목록
시험 및 용역
시험 및 용역
고객문의
고객문의
전체메뉴
메뉴
정확한 데이터, 친절한 서비스를
제공하는 제이제이콥입니다.
02-929-1127
제품소개
스트레인게이지
계측센서/Transducer
계측장비/Data Logger
재료물성시험기
계측센서/Transducer
제품설명서 다운로드
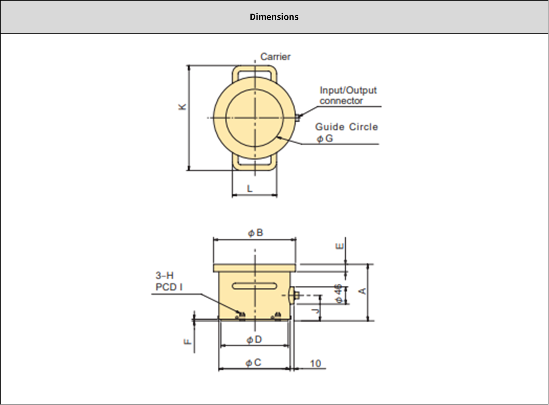
압축 로드셀
모 델
CLL-NA
로드셀 타입
Compression
정격용량
500KN ~ 1MN
정격출력
1.5mV/V
사용온도범위
-10 ~ +60°C
목록보기